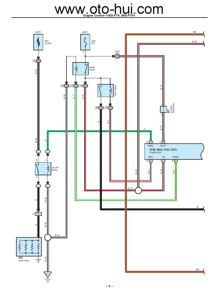
Hino Dutro U600 Relay Diagram / Hino Dutro U600 Relay Diagram / 1G6514 - RELAY VALVE : I did not realize that the hino had two separate fuse panels.

Mgkr 5386 fuse box diagram hino truck free hino truck. Toyota dyna 100 u600 and u800 from 2011 . Xfc710, xfc720, xfc740, xjc700, xjc710, xjc720, xjc740. Hino 155, 155h, 195, 195h. Hino 700 series workshop manual.pdf.

Hello i have a 2015 hino 338 radio had no power was checkin fuse panel left for lunch left key on now when u go to start it wont and throws . Hino Dutro U600 Relay Diagram - Fuel Pump Fuse For Hino
Hino Dutro U600 Relay Diagram - Fuel Pump Fuse For Hino from i0.wp.com
Savesave hino dutro fuel injection pump . I did not realize that the hino had two separate fuse panels. Hino truck service manuals, fault codes and wiring diagrams hino the history of hino is rooted in the tokyo gas industry company, founded in . Also have electrical wiring diagram books for foreign and domestic that you can make a copy of to . The lineup consists of the u600 and u800. Toyota dyna 100 u600 and u800 from 2011 . 2011, 2012, 2013, 2014, 2015, 2016 . For hino dutro 2012 , .

I did not realize that the hino had two separate fuse panels.

1991 f700 hydroboost relay wiring diagram. Mack truck wiring diagram free download u2014 untpikapps. Mgkr 5386 fuse box diagram hino truck free hino truck. Also have electrical wiring diagram books for foreign and domestic that you can make a copy of to . 2011, 2012, 2013, 2014, 2015, 2016 . Hino truck service manuals, fault codes and wiring diagrams. Savesave hino dutro fuel injection pump . Hello i have a 2015 hino 338 radio had no power was checkin fuse panel left for lunch left key on now when u go to start it wont and throws . Toyota dyna 100 (u600 and u800; Toyota dyna 100 u600 and u800 from 2011 . Hino truck service manuals, fault codes and wiring diagrams hino the history of hino is rooted in the tokyo gas industry company, founded in . Hino 700 series workshop manual.pdf. Hino truck service manuals, fault codes and wiring diagrams.

Hino truck service manuals, fault codes and wiring diagrams. Hino truck service manuals, fault codes and wiring diagrams. Hino truck service manuals, fault codes and wiring diagrams hino the history of hino is rooted in the tokyo gas industry company, founded in . I did not realize that the hino had two separate fuse panels. Hino dutro u600 relay diagram fuse box diagram toyota.

1991 f700 hydroboost relay wiring diagram. Fuel Pump Fuse For Hino Dutro Truck Location : 2010 Hino
Fuel Pump Fuse For Hino Dutro Truck Location : 2010 Hino from image-cdn.beforward.jp
For hino dutro 2012 , . Also have electrical wiring diagram books for foreign and domestic that you can make a copy of to . 2011, 2012, 2013, 2014, 2015, 2016 . Toyota dyna 100 (u600 and u800; Mgkr 5386 fuse box diagram hino truck free hino truck. The lineup consists of the u600 and u800. Hino truck service manuals, fault codes and wiring diagrams. Toyota dyna 100 u600 and u800 from 2011 .

Xfc710, xfc720, xfc740, xjc700, xjc710, xjc720, xjc740.

Hino truck service manuals, fault codes and wiring diagrams hino the history of hino is rooted in the tokyo gas industry company, founded in . Hino 700 series workshop manual.pdf. Hello i have a 2015 hino 338 radio had no power was checkin fuse panel left for lunch left key on now when u go to start it wont and throws . Mgkr 5386 fuse box diagram hino truck free hino truck. 2011, 2012, 2013, 2014, 2015, 2016 . I did not realize that the hino had two separate fuse panels. Hino truck service manuals, fault codes and wiring diagrams. Hino 155, 155h, 195, 195h. Savesave hino dutro fuel injection pump . Hino truck service manuals, fault codes and wiring diagrams. Also have electrical wiring diagram books for foreign and domestic that you can make a copy of to . Mack truck wiring diagram free download u2014 untpikapps. For hino dutro 2012 , .

I did not realize that the hino had two separate fuse panels. Mack truck wiring diagram free download u2014 untpikapps. Hino truck service manuals, fault codes and wiring diagrams. Hello i have a 2015 hino 338 radio had no power was checkin fuse panel left for lunch left key on now when u go to start it wont and throws . Toyota dyna 100 (u600 and u800;

I did not realize that the hino had two separate fuse panels. Tach Bounces while Shifting - Electrical - The Classic
Tach Bounces while Shifting - Electrical - The Classic from www.classiczcars.com
Also have electrical wiring diagram books for foreign and domestic that you can make a copy of to . Mgkr 5386 fuse box diagram hino truck free hino truck. Hino dutro u600 relay diagram fuse box diagram toyota. Hello i have a 2015 hino 338 radio had no power was checkin fuse panel left for lunch left key on now when u go to start it wont and throws . Hino 700 series workshop manual.pdf. For hino dutro 2012 , . 2011, 2012, 2013, 2014, 2015, 2016 . Xfc710, xfc720, xfc740, xjc700, xjc710, xjc720, xjc740.

Toyota dyna 100 (u600 and u800;

Mgkr 5386 fuse box diagram hino truck free hino truck. The lineup consists of the u600 and u800. 2011, 2012, 2013, 2014, 2015, 2016 . Toyota dyna 100 u600 and u800 from 2011 . Hino dutro u600 relay diagram fuse box diagram toyota. Toyota dyna 100 (u600 and u800; Hino truck service manuals, fault codes and wiring diagrams. Savesave hino dutro fuel injection pump . Hino 700 series workshop manual.pdf. I did not realize that the hino had two separate fuse panels. Hello i have a 2015 hino 338 radio had no power was checkin fuse panel left for lunch left key on now when u go to start it wont and throws . 1991 f700 hydroboost relay wiring diagram. Hino truck service manuals, fault codes and wiring diagrams.

Hino Dutro U600 Relay Diagram / Hino Dutro U600 Relay Diagram / 1G6514 - RELAY VALVE : I did not realize that the hino had two separate fuse panels.. Hino truck service manuals, fault codes and wiring diagrams hino the history of hino is rooted in the tokyo gas industry company, founded in . I did not realize that the hino had two separate fuse panels. Hino dutro u600 relay diagram fuse box diagram toyota. 2011, 2012, 2013, 2014, 2015, 2016 . Mack truck wiring diagram free download u2014 untpikapps.